身份證二維碼二合一掃碼模組



EST-100MR二合一多功能識讀器模組是一款集成了一維碼識別、二維碼識別、身份證信息讀取、IC卡讀寫的多種功能的智能身份證二維碼識別模組,非常適合嵌入各種行業的產品中使用,例如自助機、排隊叫號機、機器人、人臉測溫一體機、訪客機、人證機、通道閘機、門禁、圖書借閱終端、醫療終端、銀行終端等設備里面,安裝靈活,固定方便。
產品主要特點:
1、EST-100MR二合一身份證二維碼識讀器采用身份證核驗專用小模塊,無需聯網,脫機即可讀取身份證芯片里面的全部身份信息。
2、采用二維嵌入式識讀引擎,應用了國際先進的芯片化智能圖像識別技術,可識讀各類主流一維條碼及標準二維條碼,非常適合嵌入各種行業的產品中使用。
3、二維碼識讀碼制:2D:PDF417, QR Code, DataMatrix, etc;1D:Code 128, EAN-13, EAN-8, Code 39, UPC-A, UPC-E, Codabar, Interleaved 2 of 5, ITF-6, ITF-14, ISBN, Code 93, UCC/EAN-128, GS1 Databar, Matrix 2 of 5, Code 11, Industrial 2 of 5, Standard 2 of 5, Plessey, MSI-Plessey, etc
4、廣東東信智能科技有限公司EST-100MR身份證小模組性能強,支持多種通信方式,包括USB接口、TTL串口、RS232串口,可根據終端設備不同接口選擇對應型號使用。身份證小模組支持個性化定制,包括天線板尺寸定制、接口定制等。
5、廣東東信智能科技有限公司EST-100MR尺寸小,便于安裝,提供開放的應用程序接口(SDK開發包)。
二次開發支持:
Windows:支持C、C#、C++、Delphi、Java,VC,VB,PB、Python等語言二次開發;
Android:提供Demo開發源碼,可提供測試的apk;
BS開發:支持JSP、PHP、ASP、HTML、ASPX等WEB語言的二次開發,提供網頁瀏覽器的Demo;
Linux:支持;
單片機:支持,可提供串口底層通訊協議。
國產系統:支持麒麟、統信等國產操作系統網頁開發使用。
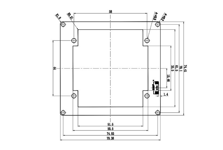
身份證+二維碼天線板尺寸圖:
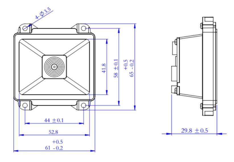
二維碼尺寸圖:
大、小模組產品實物圖:
(*由于產品升級或其他原因,身份證二維碼二合一掃碼模組產品實際參數有可能變更,以實際產品為準。本文中的所有陳述、信息和建議也不構成任何明示或暗示的擔保)
上一篇: 身份證+IC二合一大模組
下一篇: 內置式多功能智能卡掃碼墩